PZZD-SCB2后备保护器根据防雷等级,与T2级电涌保护器配合的产品,能承受8/20μs波形雷电流的冲击,PZZD-SCB2/3耐受冲击电流峰值达到80KA/40KA(8/20μs),PZZD系列 SPD后备保护器设计合理、性能可靠,体积符合一个保护模块的标准间距,安装和使用十分方便。
|
规格型号 |
PZZD-SCB2 |
|
产品类别 |
T2级 |
|
耐受冲击电流Iemax |
80kA(8/20μs) |
|
短路分断能力Ics |
20kA |
|
电气符号 |
|
|
额定工作电压Ue |
230V/400VAC |
|
额定绝缘电压Ui |
400VAC |
|
工频脱扣电流Ii |
3±1A |
|
负载电流分断时间To |
≤50ms |
|
机械寿命 |
3000次 |
|
外壳防护等级 |
IP20 |
|
扭矩 |
3.5N.m |
|
连接电缆最小面积 |
2.5mm²/flexible |
|
连接电缆最大面积 |
25mm²/flexible |
|
外壳材质 |
PA 66 UL94V-0 |
|
保护动作与环境温度关系 |
-25℃~60℃ |
|
存放环境 |
温度:-40℃~75℃ 相对湿度:<95%(25℃下) |
|
工作环境 |
温度:-25℃~60℃ 相对湿度:<95%(25℃下) |
|
外壳颜色 |
外壳:黑色 手柄:桔色 |
|
安装卡轨 |
EN60715(35mm) |
|
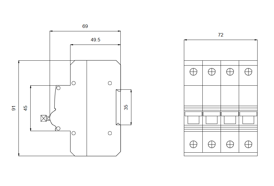
尺寸 |
81mm×72mm×65mm |