依据GB18802.1、GB50057等标准规定,并接在电源线路上的电涌保护器(SPD)回路上端必须串联规定的过电流保护电器。由于常规的电流熔断器和微型断路器不能区分电源线路中的工频电流还是浪涌雷电流,因此不能与SPD协调配合。PZZD-SCB1后备保护器根据防雷等级,与T1级电涌保护器配合的产品,能承受10/350μs波形雷电流的冲击,耐受冲击电流峰值达到25KA(10/350μs),PZZD系列 SPD后备保护器设计合理、性能可靠,体积符合一个保护模块的标准间距,安装和使用十分方便。
|
规格型号 |
PZZD-SCB1 |
|
产品类别 |
T1级 |
|
耐受冲击电流Iemax |
25kA(10/350μs) |
|
短路分断能力Ics |
50kA |
|
电气符号 |
|
|
额定工作电压Ue |
230V/400VAC |
|
额定绝缘电压Ui |
400VAC |
|
工频脱扣电流Ii |
3±1A |
|
负载电流分断时间To |
≤50ms |
|
机械寿命 |
1000次 |
|
外壳防护等级 |
IP20 |
|
扭矩 |
3.5N.m |
|
连接电缆最小面积 |
2.5mm²/flexible |
|
连接电缆最大面积 |
25mm²/flexible |
|
外壳材质 |
PA 66 UL94V-0 |
|
保护动作与环境温度关系 |
-25℃~60℃ |
|
存放环境 |
温度:-40℃~75℃ 相对湿度:<95%(25℃下) |
|
工作环境 |
温度:-25℃~60℃ 相对湿度:<95%(25℃下) |
|
外壳颜色 |
外壳:黑色 手柄:桔色 |
|
安装卡轨 |
EN60715(35mm) |
|
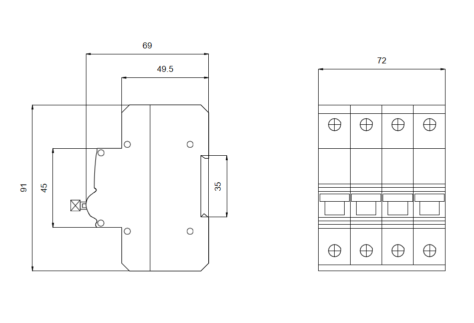
尺寸 |
81mm×72mm×65mm |